Female VCR Gland - Welded Female VCR Cross Connector

The base material is 316L secondary smelted, and the body is engraved with a traceable base material code.
The key inner surfaces are visually inspected 100% with the aid of a magnifying glass and special lighting fixtures.
Surface Finish: BA ≤ 0.8μm; EP ≤ 0.3μm
Product Description: Pressure Resistance Coefficient: The rated working pressure is determined by the gasket material at room temperature.
Temperature Resistance Coefficient: For the joint, it is 537°C; for the nickel gasket, it is 315°C, and for the stainless steel gasket, it is 537°C.
 Cleaning and Packaging: Ultrasonic cleaning is carried out in a clean room, and double-layer packaging is done in a dust-free room.
Vacuum Leakage Rate: It is determined by the sealing gasket. When using a silver-plated or copper gasket, the leakage rate is 4×10⁻⁹ std cm³/s; when using an unplated gasket, the leakage rate is 4×10⁻¹¹ std cm³/s.
2D and 3D format drawings are available. If you have any needs, please contact the sales representative of Magnorco or the local authorized dealer.

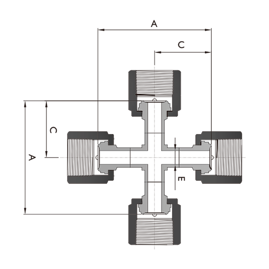
  • Size parameters
  • Product Features

Fmale VCR Gland 一 焊接式母VCR四通

订购代码UWFC-Ordering Number

316L二次熔炼母材,本体刻有可追溯母材编码

关键内表面100%使用放大镜和专用灯具目视检查。
表面光洁度:BA≤0.8um;EP≤0.3um
产品描述:耐压系数:工作压力额定值是由室温下垫片材料确定的
耐温系数:接头,537℃;镍垫片315℃,不锈钢垫片537℃
清洗包装:洁净室超声波清洗,无尘室双层包装
VCR面密封真空漏率:由密封垫片决定,使用镀银或铜垫片,漏率为4x10-9 std cm3/s;使用无镀层垫片 漏率为4x10-11 std cm3/s
可提供2D、3D格式图档,如有需求请联系迈格诺科销售代表或当地授权经销商