Home
About Us
News
Product
Vacuum chamber pipe valve Series
Welded Bellows Series
UHP Series
Instrument fittings & valves
Sanitary fittings & valves
Product application
Solar photovoltaics
Biopharmaceuticals
Process Instrument
Semiconductor Industry
Petrochemical
Scientific Research
LCD panel
Food and Beverage
Service Support
Product specifications
CAD&3DModel
Application consulting
Special product design
Fast delivery
entrust
Seminars and conferences
Professional training
Material certification
Quality and Traceability
Supply chain management
Data Download
Information Center
Information Center
Technical knowledge
Exhibition
Contact us
Suzhou factory address
Kunshan factory address
CN
EN
home page
About Us
Company Profile
Company Honors
Development history
Product Center
Vacuum chamber pipe valve Series
Welded Bellows Series
UHP Series
Instrument fittings & valves
Sanitary fittings & valves
Industrial application
Service Support
News Center
Information Center
Technical knowledge
Exhibition
Contact us
CN
EN
Home
>
Product Center
>
Card sleeve connector
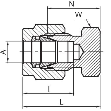
卡套堵头CAP 堵管道
尺寸范围从1/16"-2",2mm-50mm。
多种材质和形式可选。
零部件加工精度高,确保卡套和管道边形精装。
经硬化和抛光的螺纹延长了接头的使用寿命。
螺母螺纹镀银,可减少于本体螺纹的摩擦系数。
弯头通道圆弧过渡,确保流体的平稳流动。
接头拆卸和重新紧固方便。
可提供2D/3D模板,接受非标定制。如有需要,可联系销售工程师。
Size parameters
Product Features