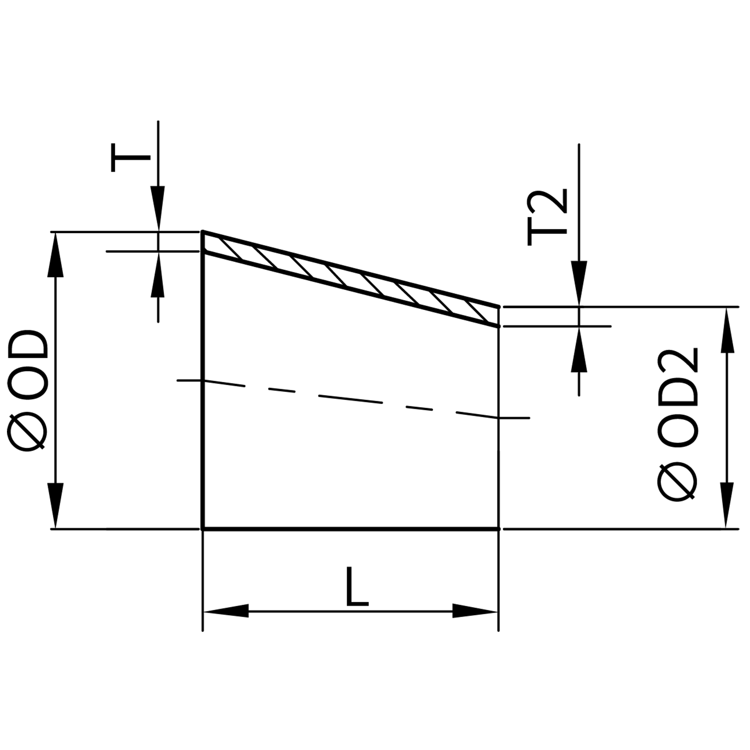
3A Eccentric Reducers

Specifications:  Sizes from 1/2" to 10" and more are available.

Fitting Series:  45°/90°/180° Elbows, Tees/Crosses, and Concentric/Eccentric Reducers. Ensure seamless connectivity for pipelines of all sizes in your production line.

Connection Methods:  Compatible with standard piping systems via welding, clamp, threaded, and flanged connections.

Value-Added Service:  Complimentary 2D/3D models are available. Please contact our sales representative for further assistance.
  • Size parameters
  • Product Features

Sanitary 3A Series Fittings
Size Range: 1/2" to 10"
Connections: Welding, Clamp, Threaded & Flanged
Materials: Stainless Steel 304, 316L
Finish: Mechanical Polish, Electropolish