Home
About Us
News
Product
Vacuum chamber pipe valve Series
Welded Bellows Series
UHP Series
Instrument fittings & valves
Sanitary fittings & valves
Product application
Solar photovoltaics
Biopharmaceuticals
Process Instrument
Semiconductor Industry
Petrochemical
Scientific Research
LCD panel
Food and Beverage
Service Support
Product specifications
CAD&3DModel
Application consulting
Special product design
Fast delivery
entrust
Seminars and conferences
Professional training
Material certification
Quality and Traceability
Supply chain management
Data Download
Information Center
Information Center
Technical knowledge
Exhibition
Contact us
Suzhou factory address
Kunshan factory address
CN
EN
home page
About Us
Company Profile
Company Honors
Development history
Product Center
Vacuum chamber pipe valve Series
Welded Bellows Series
UHP Series
Instrument fittings & valves
Sanitary fittings & valves
Industrial application
Service Support
News Center
Information Center
Technical knowledge
Exhibition
Contact us
CN
EN
Home
>
Product Center
>
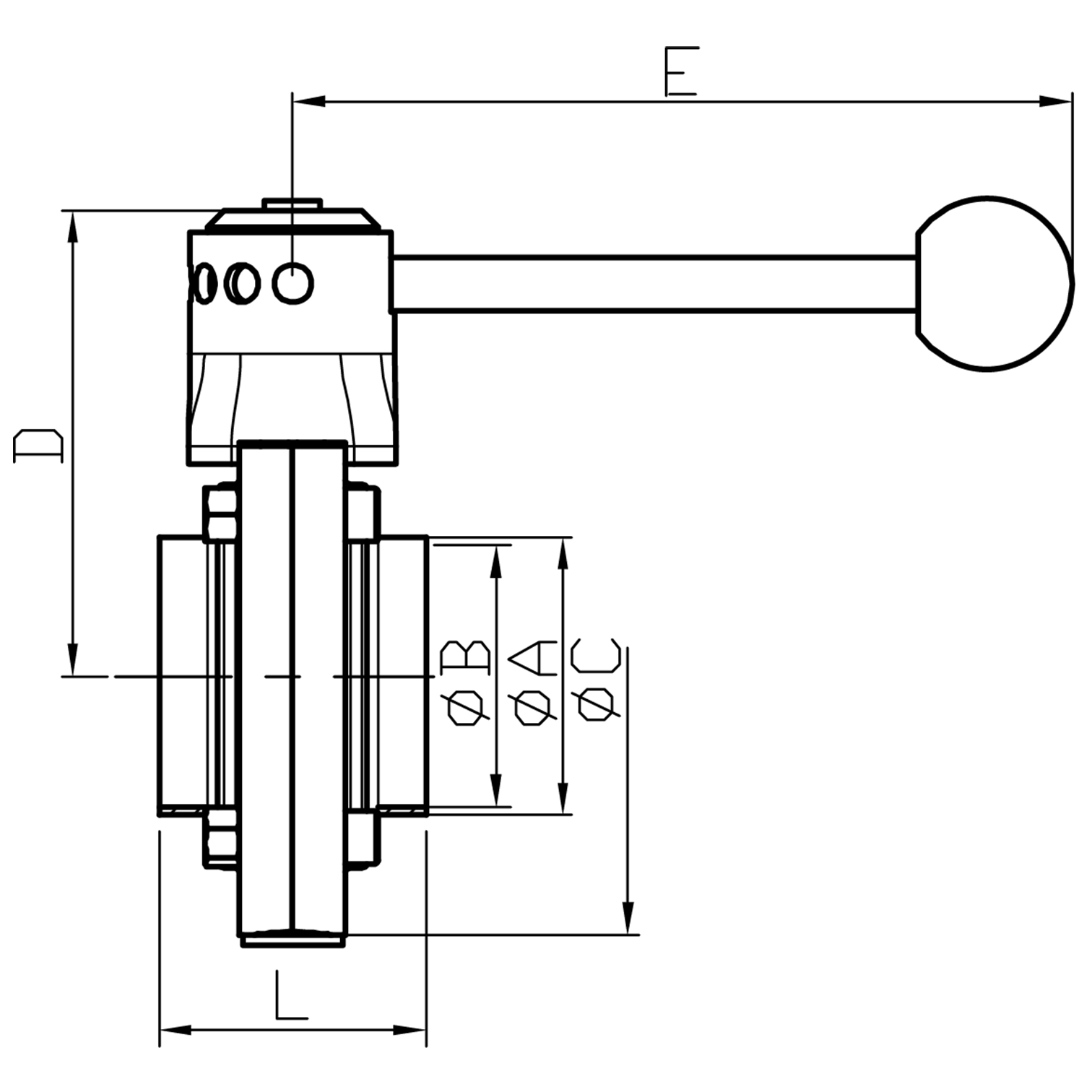
Sanitary Butterfly Valve
Manual Butterfly Valve
Size parameters
Product Features