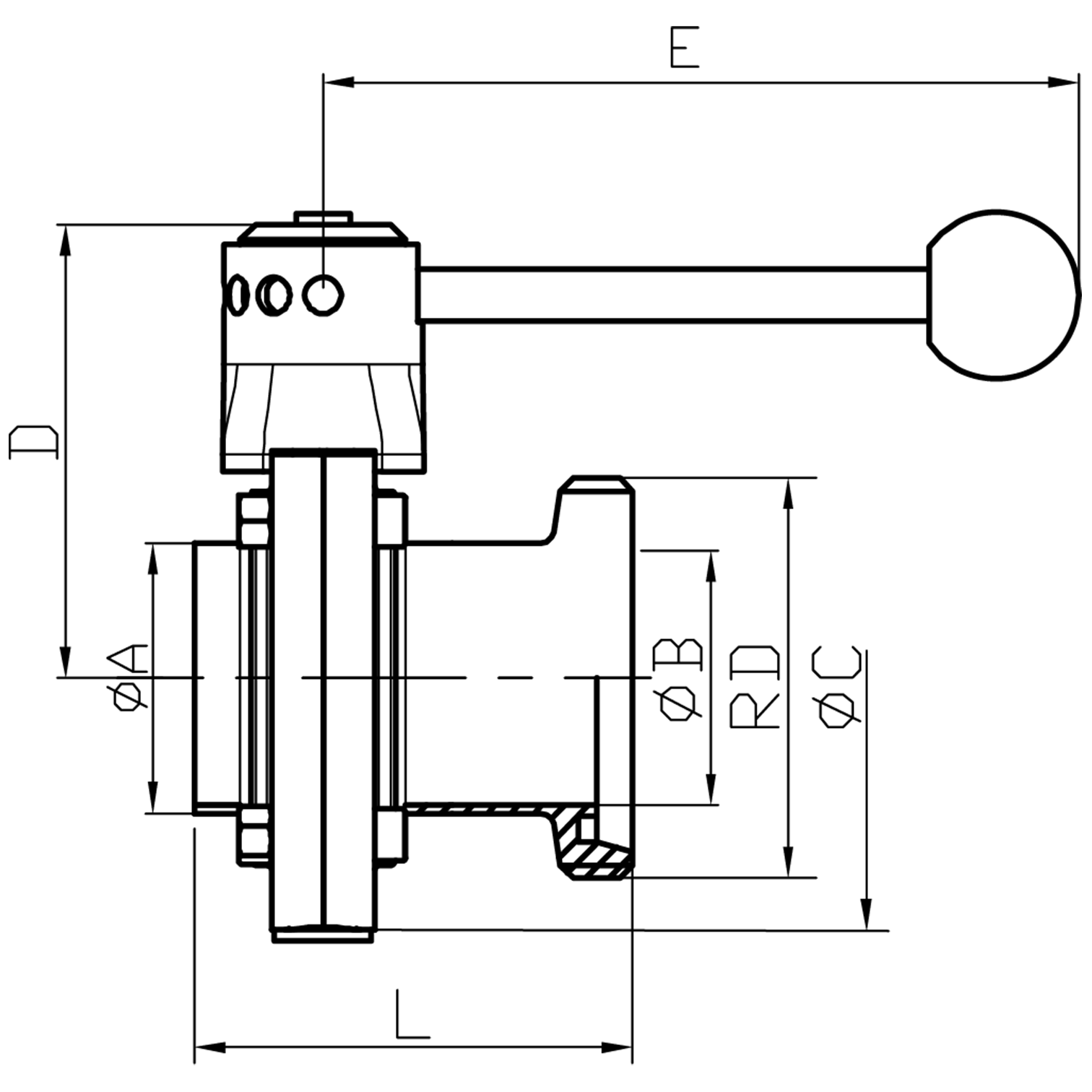
Manual Butterfly Valve

  • Size parameters
  • Product Features