• Home
  • About Us
  • News
  • Product
    Vacuum chamber pipe valve Series Welded Bellows Series UHP Series Instrument fittings & valves Sanitary fittings & valves
  • Product application
    Solar photovoltaics Biopharmaceuticals Process Instrument Semiconductor Industry Petrochemical Scientific Research LCD panel Food and Beverage
  • Service Support
    Product specifications CAD&3DModel Application consulting Special product design Fast delivery entrust Seminars and conferences Professional training Material certification Quality and Traceability Supply chain management Data Download
  • Information Center
    Information Center Technical knowledge Exhibition
  • Contact us
    Suzhou factory address Kunshan factory address
CN EN
  • home page

  • About Us

    • Company Profile
    • Company Honors
    • Development history
  • Product Center

    • Vacuum chamber pipe valve Series
    • Welded Bellows Series
    • UHP Series
    • Instrument fittings & valves
    • Sanitary fittings & valves
  • Industrial application

  • Service Support

  • News Center

    • Information Center
    • Technical knowledge
    • Exhibition
  • Contact us

  • CN EN

Vacuum chamber pipe valve Series

  • Customized cavity pipeline
    Customized vacuum chamber Customized vacuum piping system Customized ultra pure gas pipeline
  • Standard vacuum chamber
    Integrated spherical ultra-high vacuum chamber Welded vacuum chamber
  • Vacuum flange fittings
    CF flange fittings ISO flange fittings KF flange fittings Vacuum adapter flange
  • Vacuum observation window
    CF flange observation window KF flange observation window ISO flange observation window
  • Vacuum welded pipe fittings
    Elbow Tee Four Links Big and small head Wutong Liutong
  • Vacuum through flange
    Vacuum gas-liquid flange Vacuum electrode flange Vacuum hotspot flange Vacuum N-type coaxial flange Vacuum BNC coaxial flange Vacuum MHV coaxial flange Vacuum SHV coaxial flange Vacuum SMA coaxial flange Vacuum SMB coaxial flange Vacuum multi pin lead flange
  • Vacuum corrugated tube
    CF flange corrugated pipe ISO flange corrugated pipe KF flange corrugated pipe VCR/card sleeve, special gas corrugated pipe
  • Vacuum valve
    Vacuum gate valve Vacuum all metal sealed valve Vacuum barrier valve Vacuum butterfly valve Vacuum ball valve Vacuum release valve Semiconductor vacuum valve maintenance

Welded Bellows Series

  • KF flange welded corrugated pipe
  • ISO flange welded corrugated pipe
  • CF flange welded corrugated pipe
  • Non standard custom welded corrugated pipe
  • Introduction to Welded Bellows

UHP Series

  • Introduction to UHP Custom Parts
  • UHP A system&British fittings
    UHP NC integrated extended pipe fittings Control bent pipe fittings VCO connector VCR connector Coaxial double tube fittings Micro welded joint
  • UHP diaphragm valve
  • UHP filter
  • UHP steel cylinder joint
  • UHP precursor source bottle
  • UHP NC integrated extended pipe fittings
  • UHP micro welded pipe fittings
  • UHP coaxial double tube fittings
  • UHP VCO connector
  • UHP VCR connector

Instrument fittings & valves

  • Cylinder connection
  • Gas pressure gauge
  • High pressure metal hose
  • Gas automatic switching device
  • Card sleeve filter
  • Card sleeve safety valve
  • Card sleeve one-way valve
  • Card sleeve needle valve
  • Card sleeve connector
  • Card sleeve ball valve
  • Pressure relief valve

Sanitary fittings & valves

  • Sanitary grade valve customer parts
  • 3A series
    Sanitary Sight Glass Sanitary Tube Fitting
  • ASME BPE
    tee
  • Sanitary valve
    Sanitary Sampling Valve Sanitary Check Valve Sanitary Butterfly Valve Sanitary Ball Valve
  • Sanitary grade filter
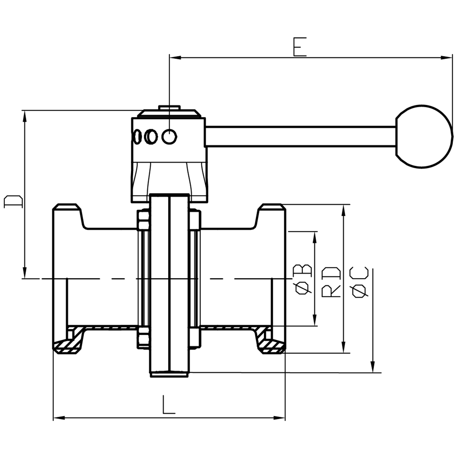
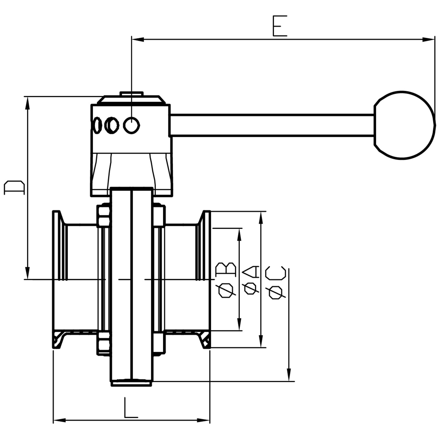
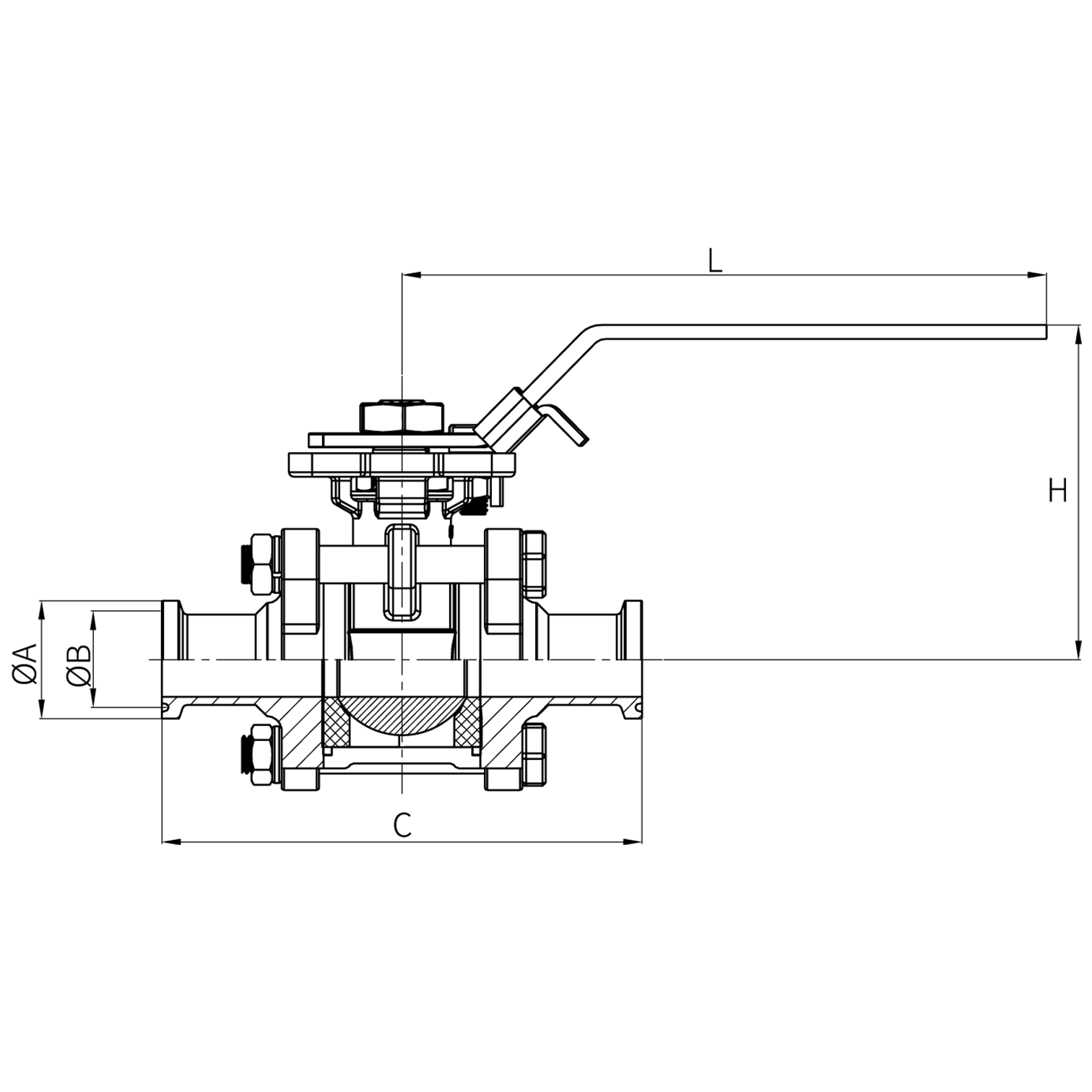
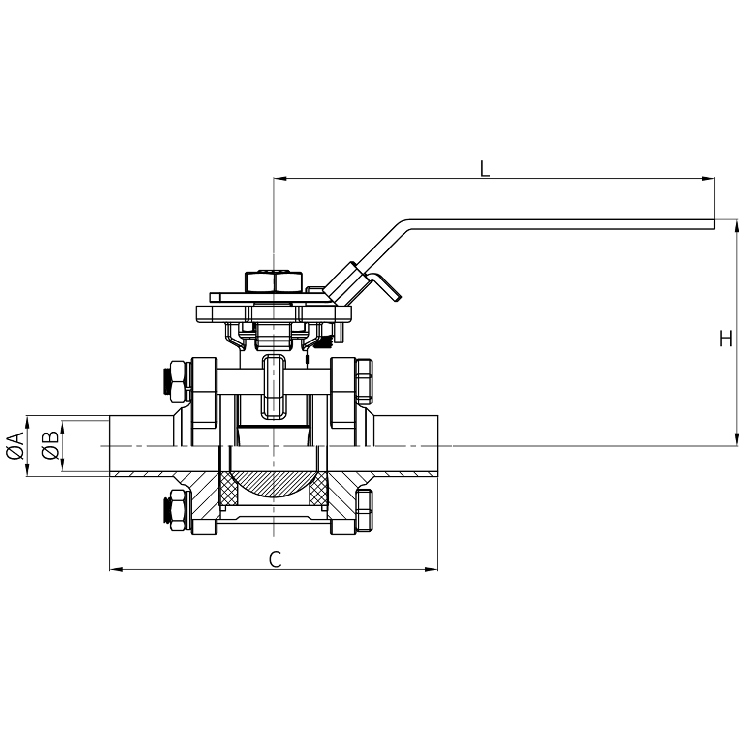
  • Manual Ball Valves-Wled End

    Manual Ball Valves-Wled End

  • Manual Ball Valves-Wled End

    Manual Ball Valves-Wled End

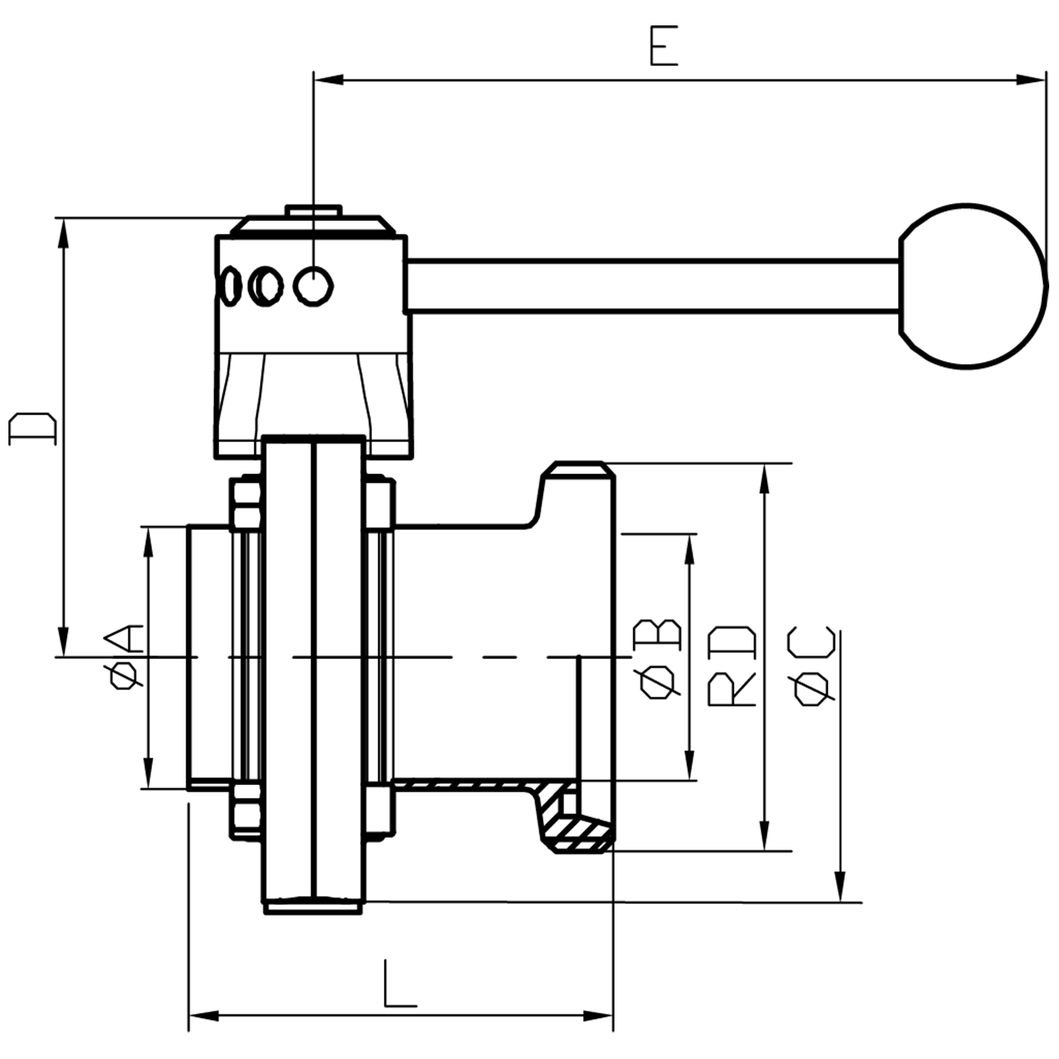
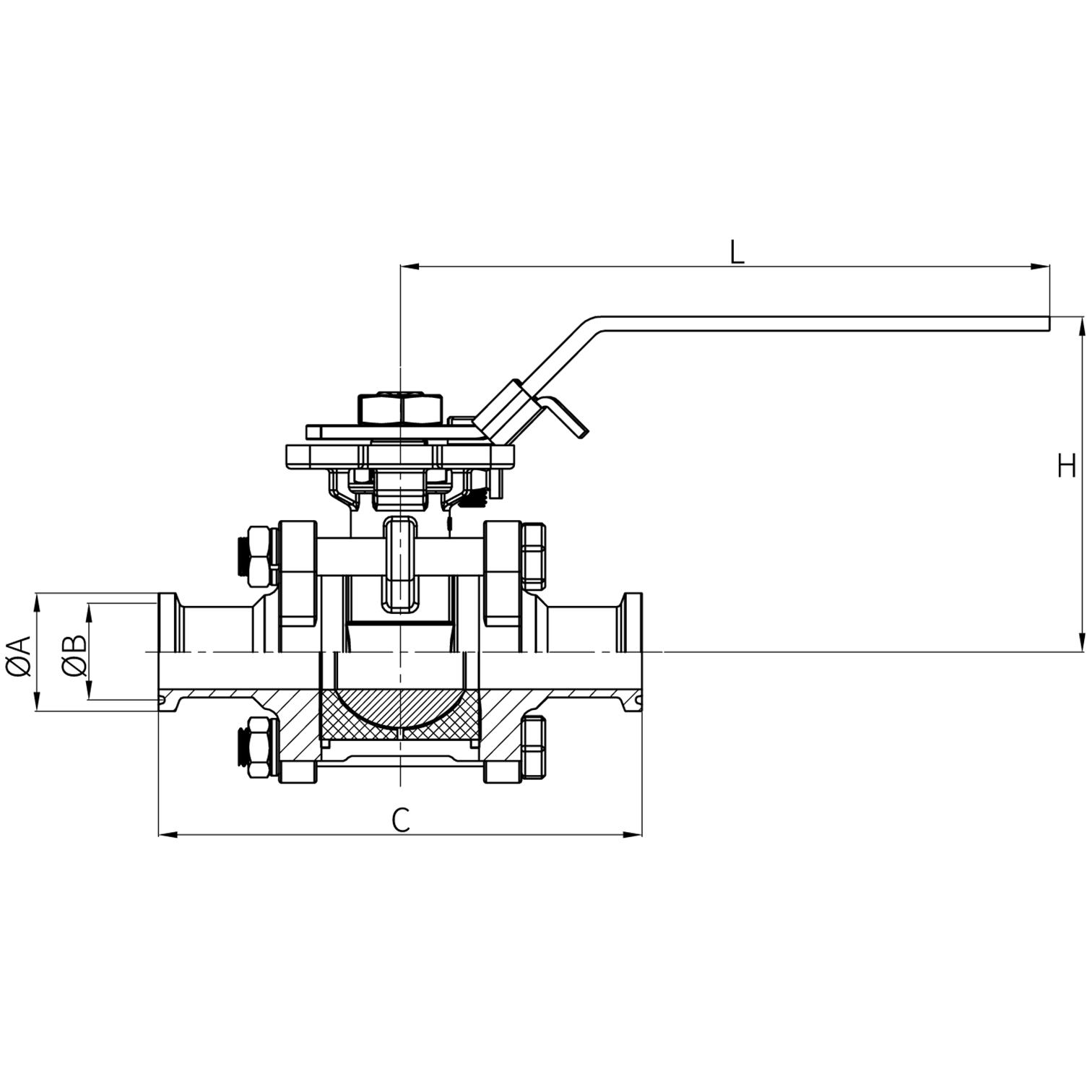
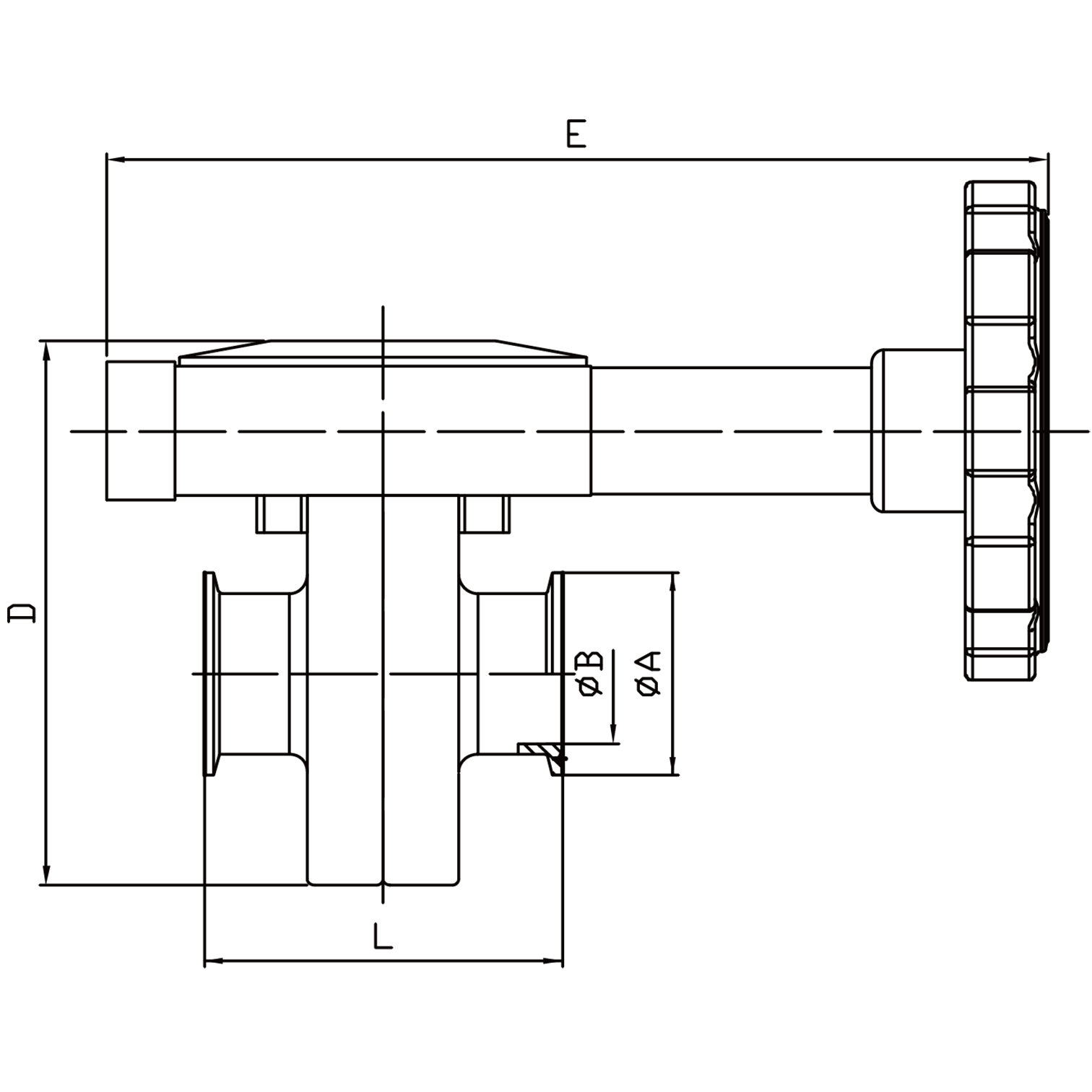
  • Manual Ball Valves-Clamp End

    Manual Ball Valves-Clamp End

  • Manual Ball Valves-Clamp End

    Manual Ball Valves-Clamp End

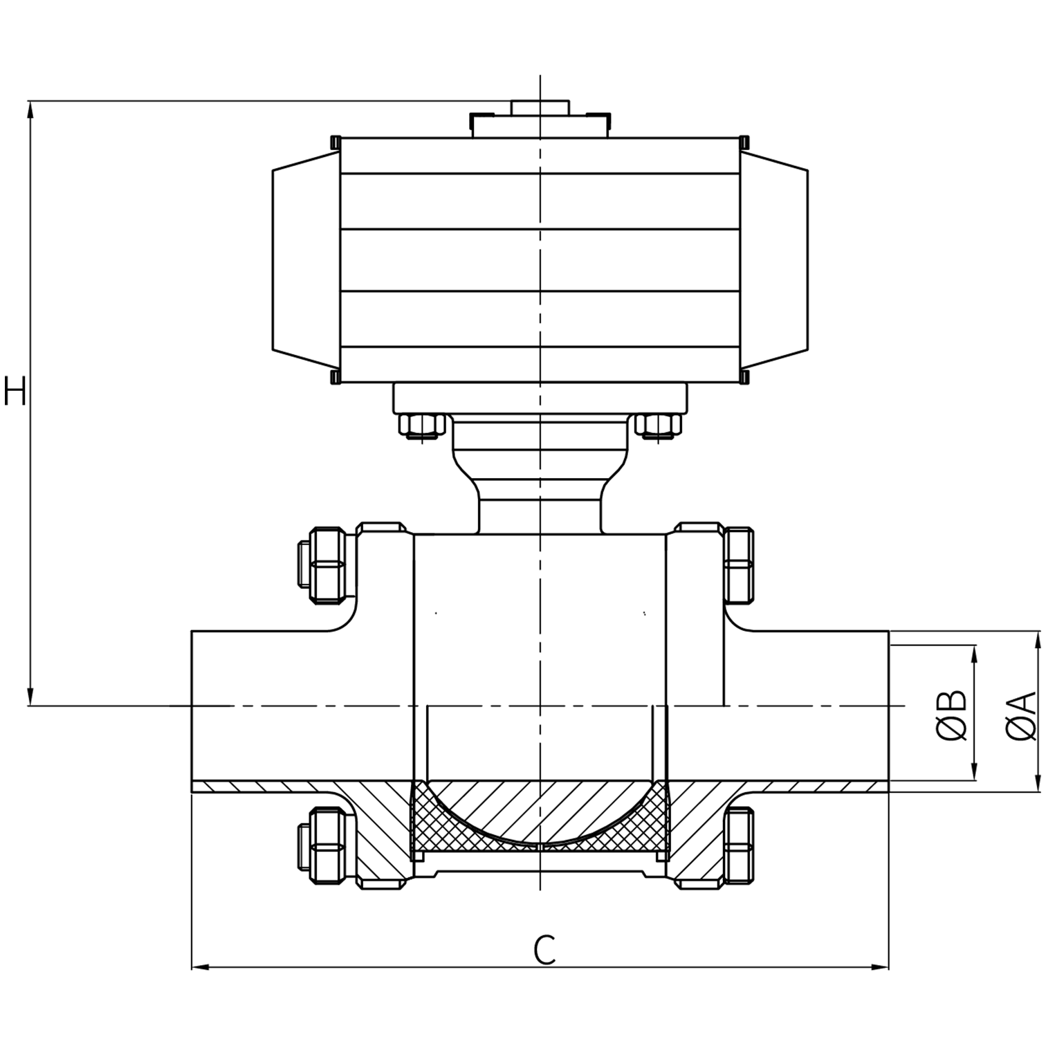
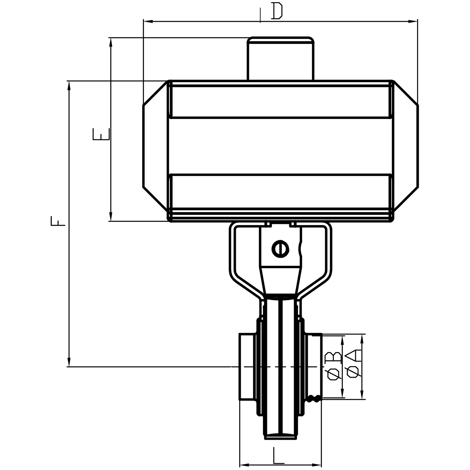
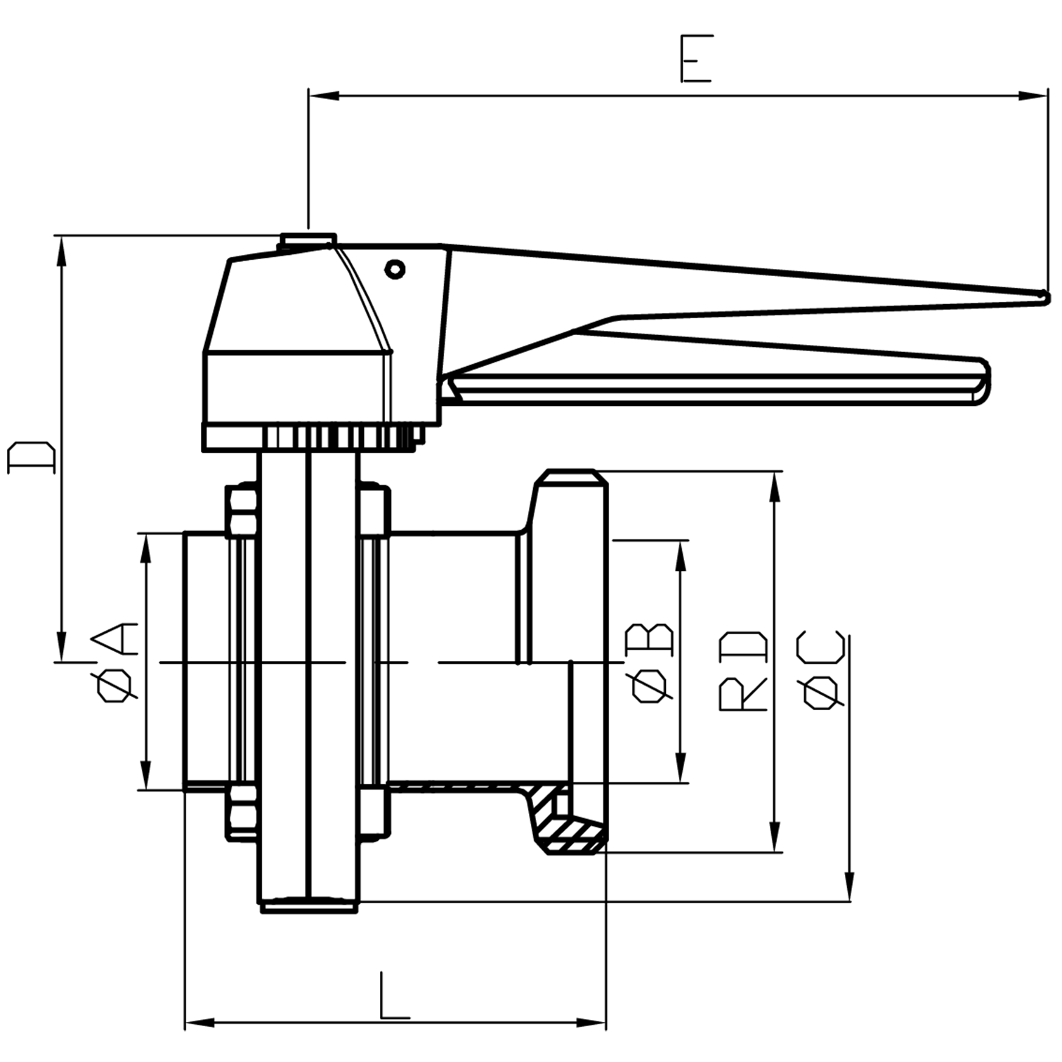
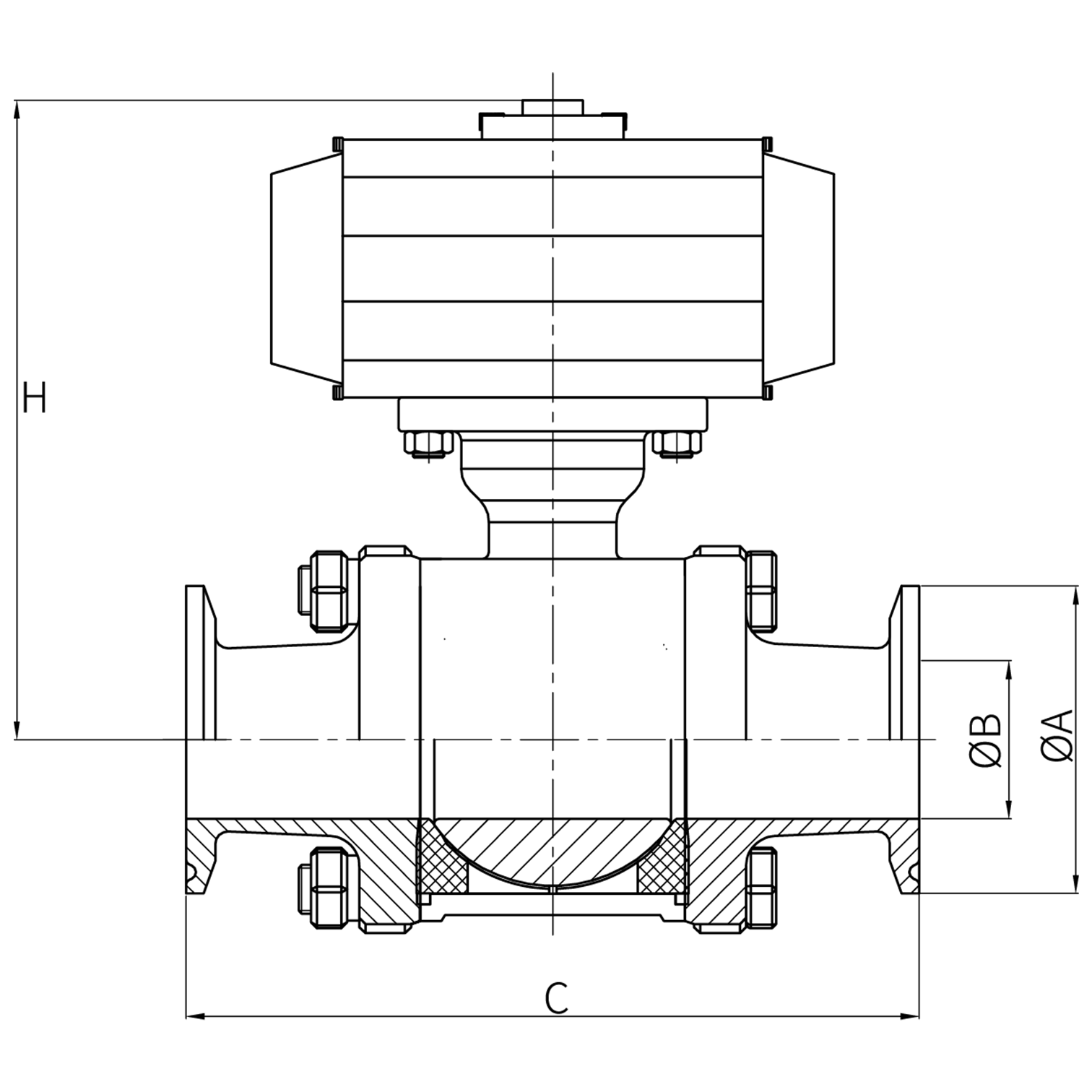
  • Pneumatic Ball Valve - Weld End

    Pneumatic Ball Valve - Weld End

  • Pneumatic Ball Valve - Weld End

    Pneumatic Ball Valve - Weld End

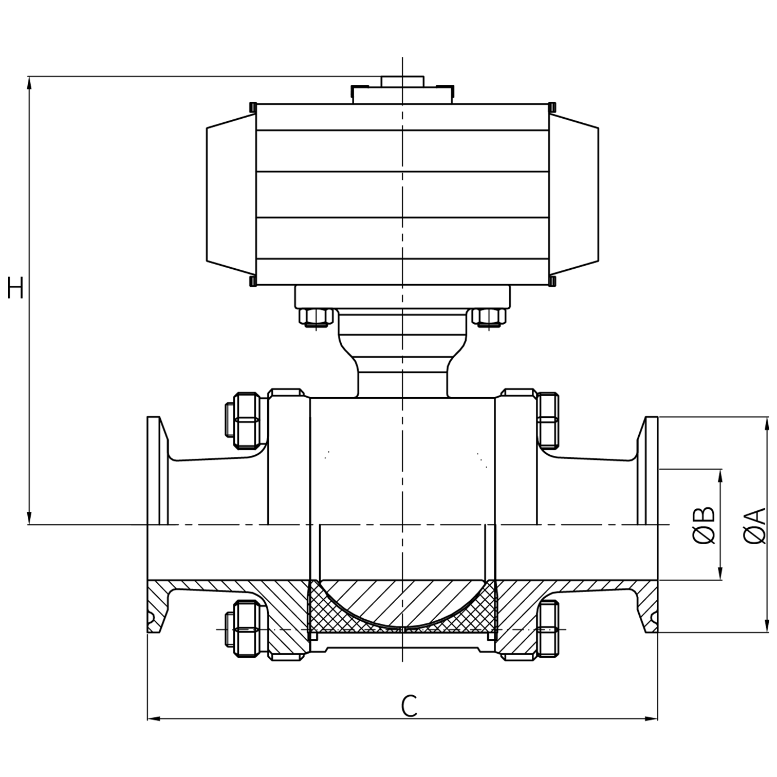
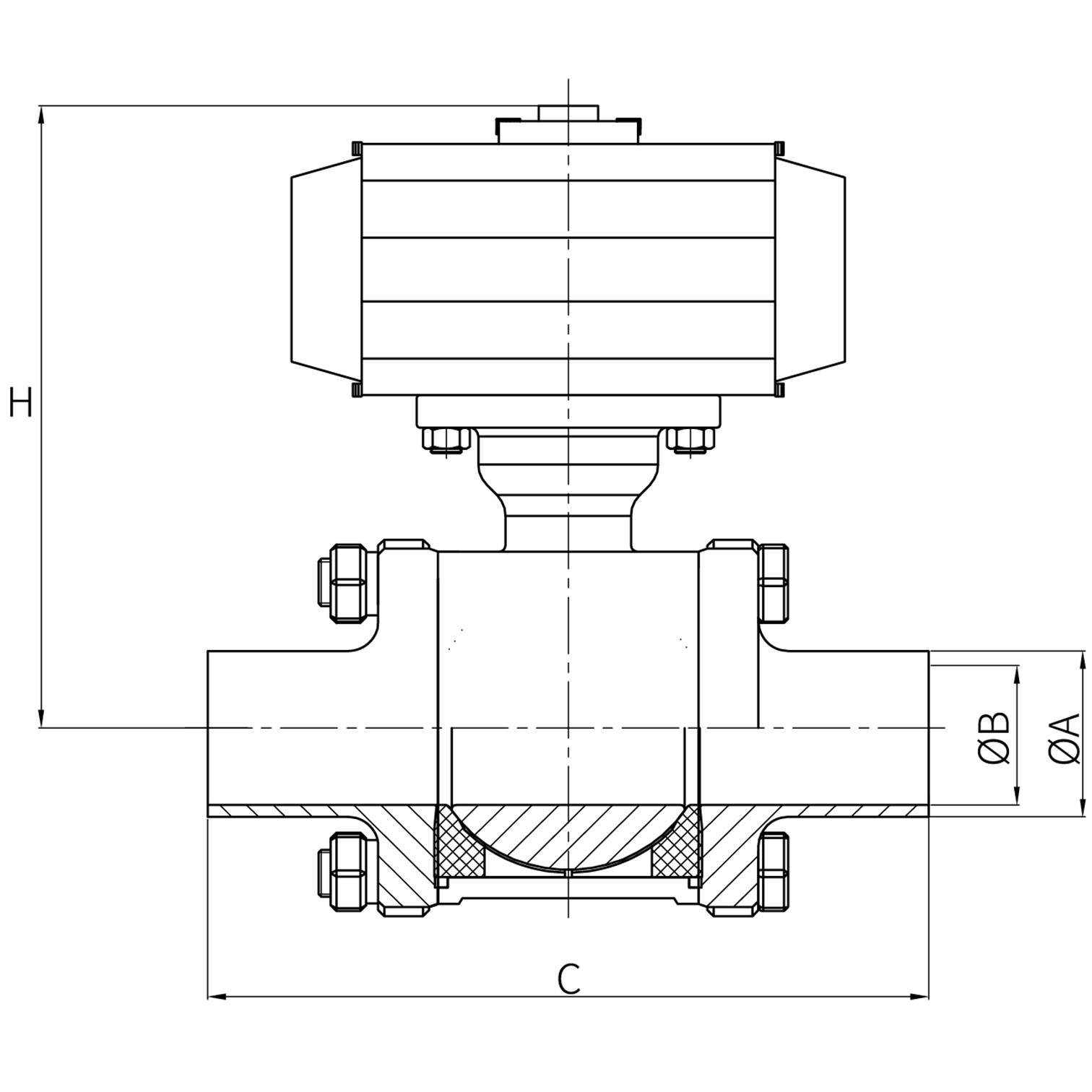
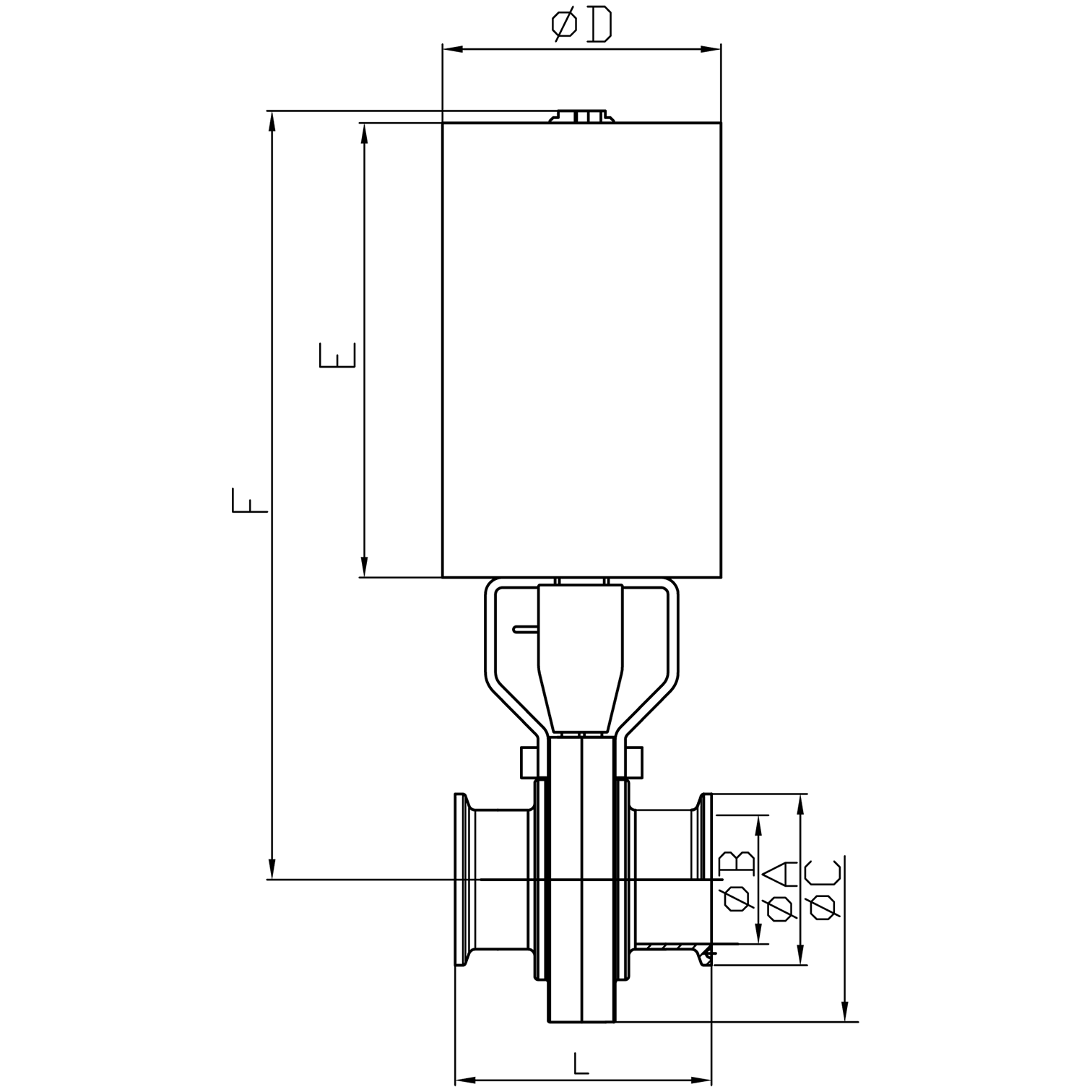
  • Pneumatic Ball Valve - Clamp End

    Pneumatic Ball Valve - Clamp End

  • Pneumatic Ball Valve - Clamp End

    Pneumatic Ball Valve - Clamp End

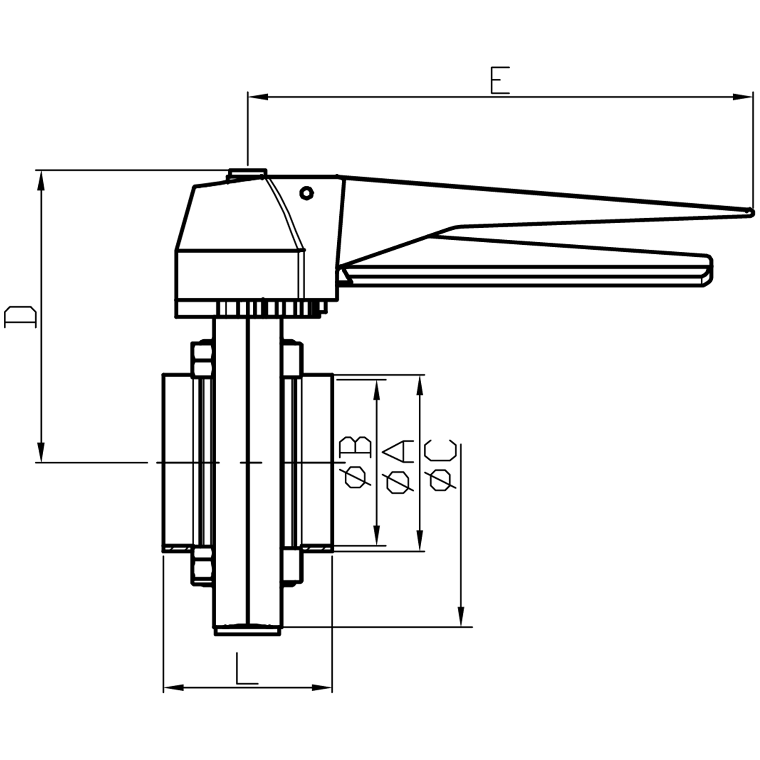
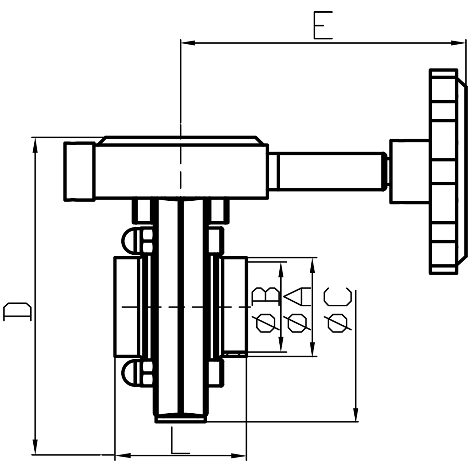
  • Manual Butterfly Valve

    Manual Butterfly Valve

  • Manual Butterfly Valve

    Manual Butterfly Valve

  • Manual Butterfly Valve

    Manual Butterfly Valve

  • Manual Butterfly Valve

    Manual Butterfly Valve

  • Manual Butterfly Valve

    Manual Butterfly Valve

  • Manual Butterfly Valve

    Manual Butterfly Valve

  • Manual Butterfly Valve

    Manual Butterfly Valve

  • Manual Butterfly Valve

    Manual Butterfly Valve

  • Manual Butterfly Valve

    Manual Butterfly Valve

  • Manual Butterfly Valve

    Manual Butterfly Valve

  • Manual Butterfly Valve

    Manual Butterfly Valve

  • Pneumatic Butterfly Valve

    Pneumatic Butterfly Valve

  • Pneumatic Butterfly Valve

    Pneumatic Butterfly Valve

  • Pneumatic Butterfly Valve

    Pneumatic Butterfly Valve

  • Pneumatic Butterfly Valve

    Pneumatic Butterfly Valve

  • Sample Valve

    Sample Valve

Home < 1 2 > Last page
  • Product Center
  • Vacuum chamber pipe valve Series Welded Bellows Series UHP Series Instrument fittings & valves Sanitary fittings & valves
  • About Us
  • Company Introductio Company Culture Honors
  • Information Center
  • Information Center Technical knowledge Exhibition
  • Service Support
  • Products Specification CAD&3D Model Consultation Special Product Design Delegation Seminars and Conferences PProfessional Training Material Certification Quality and Traceability Data Download
  • Applications
  • Solar photovoltaics Biopharmaceuticals Process Instrument Semiconductor Industry Petrochemical Scientific Research
  • Contact us
  • Domestic Business Department International Business Department
  • Powered by MAGNOX
  • Su ICP No. 16067352

Copyright ©Suzhou Maiginuoke Clean Materials Co., Ltd copyright